What have you done to your P5 today?

Hmmmmm, a complete cut of power could be the battery or terminals? Or an earth issue or the main fuse isn't happy. Weird that it will reset itself, which kinda points towards a heat related issue.
I replaced the terminals a few years back because one of the originals couldn't be tightened enough to the posts. I know that some people, for some reason, have issues with aftermarket terminals but mine were installed properly, have no corrosion, and have never caused any issues.

If I don't wait long enough while disconnected, nothing happens when I reconnect the battery terminal. After the appropriate amount of time, everything comes back to life when reconnecting.

I would have to guess something to do with a fuse or relay. But no idea where or why. I do have an amp in the back which is wired directly to the battery, but it's fused and the fuse doesn't blow. And a dead short anywhere in the car would presumably cause other issues involving smoke, fire, melted stuff, etc. Unless there's a breaker of some sort that gets tripped and then reset. Or my battery is special, which I doubt. It's just a standard red-top Optima.
 
Upon bumping the starter with the key in the ignition, the entire car goes dead instantly. Like everything, no interior lights, headlights, dash door-ajar lights - nothing. It'll stay dead until I disconnect the battery, let it sit for a bit, and then reconnect it. Then it'll start right up.

If I don't wait long enough while disconnected, nothing happens when I reconnect the battery terminal. After the appropriate amount of time, everything comes back to life when reconnecting.

This is odd for sure. Did I miss how long ago you replaced the starter? I don't think it should be acting like a main fuse short to ground, but something in that circuit is not working properly obviously. Clean the ground wires and inspect all the other connections at the starter. Sounds like a fun one to track.
 
I remember my P5 also having an idle droop in the heat. It's never totally stalled but it'll get close. I think I remember reading into it and seeing that it could be related to a dirty EGR. I was also getting EGR CELs though so could be a different cause.
Yes, this is how it happens. I'll look at the EGR
 
That happened to me once but luckily I only made it about a block up the street. Mine was pretty obvious that the battery terminals were old corroded and stretched. Wiggled the negative terminal fix it for me.
 
This is odd for sure. Did I miss how long ago you replaced the starter? I don't think it should be acting like a main fuse short to ground, but something in that circuit is not working properly obviously. Clean the ground wires and inspect all the other connections at the starter. Sounds like a fun one to track.
Don't remember what I said in my original post but what I meant was that I replaced the ignition switch. I had the starter out while doing the clutch last summer because I had stripped the threads in one side of the mounting holes and had to install a Helical insert. The starter is OEM and original but works great.

I don't think the starter is the issue but it could be related. The loss of all electrical power is happens when bumping the starter, but I don't think it points to the starter, as I really don't know how the starter would cause all power to be lost until a reset is done (remove/attach terminal).

The percentage of times that the car fails to start vs when it doesn't is very small - it's only happened 5 or so times. But this seems to me like there is some kind of relay or breaker that is beginning to fail. It first happened a year or two ago, and didn't happen again for at least 6 months, but the recent occurrences have been slightly more frequent.
 
That happened to me once but luckily I only made it about a block up the street. Mine was pretty obvious that the battery terminals were old corroded and stretched. Wiggled the negative terminal fix it for me.
I wish my issue was of that nature. Unfortunately, the mode of failure here doesn't indicate to me that this is a loose connection or something of that likeness, but more like a component failure kind of thing.

The fact that disconnecting and then reconnecting the battery terminals without giving it a minute to "rest" seems to prove that the problem isn't a loose connection. Realistically, if I'm going to try to fix this, I should probably start studying how the electrical works on my P5.
 
I don't think there's any self-resetting circuit breakers in the OEM system, which would certainly act like you're describing. And I doubt there's a protection circuit in the Optima battery itself that's doing it.

Is it just hot starts or just cold starts that trigger the issue?

Actually, the starter solenoid might be sticking on when you bump the key, which, from memory, would cut power to just about everything else. Then with no power to it, it might un-stick itself once it's cooled down. Normally they stick closed/off and you have to knock 'em with a hammer to get the car to start.

It could be the same thing as when If you've ever stuck the tip of the electrode when arc or tig welding and the welder just buzzes and gets hot until the connection is physically broken

The solenoid can be disassembled and cleaned with a bit of patience and minimal swearing :)

BJ series wiring manual attached if you haven't already got it :) (Thanks @pcb !)
 

Attachments

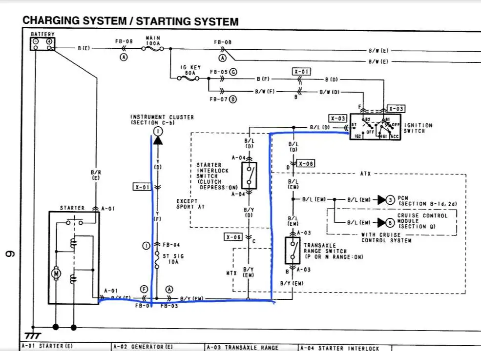
I checked out the wiring diagrams and I think that you have a sticky Main Relay.

As far as I can figure it, when your ignition switch is turned to "Start", the main relay turns off to allow all available amps to go to the starter motor.

There is still power going to the starter solenoid and to the instrument cluster from where I assume power is sent to the ignition system so that the engine will get spark.

I'm thinking that when your main relay cuts out during "Start", it isn't cutting back in to allow the engine to run when the key springs back to "on".


Screenshot_20230420-084806_Acrobat for Samsung.jpg
Screenshot_20230420-083703_Acrobat for Samsung.jpg
Screenshot_20230420-084158_Acrobat for Samsung.jpg



Screenshot_20230420-093814_DuckDuckGo.jpg



Relays can be difficult to test because they may only misbehave under certain conditions.

I had my fuel pressure regulator solenoid valve pop a code so I put 12V to it and it clicked.
I did it three more times and it kept clicking.

Then I touched the 12V to it really fast and after a dozen or so clicks, it stopped clicking.
The same thing can happen with the fuel pump relay. It may only fail during a full heat soak.


Maybe just smack that relay if it happens again to try and release it, or just replace it.

You could keep the new one in your car and quickly swap it out with your original if your car goes dead again.
That way you'll know that it was the Main Relay causing problems.
 
Been for a bit of a drive :)
Hamilton - Russell - Cape Reinga -Whangārei - Hamilton over 3 days, 1300km

Gave it a clean first:
Fu6uphraIAASF_g.jpg


Didn't last long! It rained for most of this trip :(
FvVCsx-aMAE2BJm.jpg


Managed to bring home some Northland Dirt too :D
FvZf4j7aYAE4Lj9.jpg

Tomorrow starts another road trip!
 
Last edited:
I checked out the wiring diagrams and I think that you have a sticky Main Relay.

As far as I can figure it, when your ignition switch is turned to "Start", the main relay turns off to allow all available amps to go to the starter motor.

There is still power going to the starter solenoid and to the instrument cluster from where I assume power is sent to the ignition system so that the engine will get spark.

I'm thinking that when your main relay cuts out during "Start", it isn't cutting back in to allow the engine to run when the key springs back to "on".


View attachment 318678View attachment 318679View attachment 318680


View attachment 318681


Relays can be difficult to test because they may only misbehave under certain conditions.

I had my fuel pressure regulator solenoid valve pop a code so I put 12V to it and it clicked.
I did it three more times and it kept clicking.

Then I touched the 12V to it really fast and after a dozen or so clicks, it stopped clicking.
The same thing can happen with the fuel pump relay. It may only fail during a full heat soak.


Maybe just smack that relay if it happens again to try and release it, or just replace it.

You could keep the new one in your car and quickly swap it out with your original if your car goes dead again.
That way you'll know that it was the Main Relay causing problems.
Never did respond to this, but I did read it and it makes lots of sense. I will do a little bit more troubleshooting in that area when the problem arises again, assuming it's not at too much of an inconvenient time.
 
  • Like
Reactions: 323
New wheels. After my little run-in with a curb in the snow, one of the Mazda3 wheels is a little bent up, and it was time to switch off the snow tires.

These are 16x6.5" 2013 Hyundai Sonata wheels with an offset of +43. Mounted to the car, they have a total offset of +38 with 5mm spacers. With the g-Force Comp2's mounted, they sit flush with the fender and have a nice aggressive stance. For a $50 set of wheels (plus a lot more in time and paint/repair supplies), I don't think they look half bad.

The pictures are sub-optimal...the car desperately needs a wash and I'm missing some center caps because I was still 3D printing the rest of them. But overall happy and would recommend for some cheap stance. It's just more of a reminder of how stock the ride height is though...*sigh*

PXL_20230518_034743384.webp


PXL_20230518_034753332.webp


Still TBD on whether I will be fixing or replacing the MZ3 wheel, or replacing the entire set. Will probably post a picture of the dent at some point to gauge opinions on fixability with a torch and hammer. Will be a problem to tackle this summer for the next winter season though.
 
Never did respond to this, but I did read it and it makes lots of sense. I will do a little bit more troubleshooting in that area when the problem arises again, assuming it's not at too much of an inconvenient time.


Ohh,..
I just remembered something.

There is a relay that clicks near the passenger side foot well when you turn the ignition key to start.

That relay may have something to do with it.

It's around here on the right hand side.


Screenshot_20230518-091006_Acrobat for Samsung.webp



You peal down the carpet to get to it.
I forget what relay it is.
 
Hey Protege Daddies,
Washed both cars and put covers on them, and not just because they're both black. I've always put the cover on the Miata, but that makes it too easy to *only* take the P5 every time I drive (since I don't have to go to the trouble of removing a cover). Putting a cover on the P5 will force me to take the Miata out once in a while. For my money, both cars are equally fun to drive (except for the suspension clunks on the P5 which I haven't fully addressed).

...but mainly this post was an excuse to use the term "Protege Daddies." 😛

Rnh2Ia-shEcoMfZrHzgdZYeob8R2-DaNFGii6IywAsAS6aQGP3HNehTrHt1bUlV_AcvE12xTehDF2GgxPrNaKFd45XS70aQJbFGgKOyHAGYWcdyuUGloMGvik4m7GKYOey78XDzdXj1FCVciqovrvKPMZA2cDUx9hv8E2nCFWk23-utKbiFWIMWNA6-gymf_4iTBJbaI21A3aDoUbe3aZG9QeVAcIL1Hv2mvDsgaFh6MS-ciIj2COZwTfmO6r2MsMxg2wcZehci8SNeoKRTjUzWLOtZdHmE0jZQSUsSCS6tvAnSYXUzwUPZrfSoDqbIgYSO9AwJ1smBDQUdiUu-8_-rS7ooOIyywv-6smsnZLykP3f14SSJwGLcgbGlNh-eLRyOqUYuinrBBeKkdgfA7s24etDmDk2CAfhO-yrK-_RZeWvZ91kKg9qSkUuuIHv0jiuuPmHPz--TrKCXzNnGKmYJ8bM2cdOGQKT-eyk0NTYX1XyNioYmYuCQR8bjnjYDIDTP2BzMT0oIdPgKdvXdz2dFpbYj_BQIaC3O3n6e9h260FS-cFK9aG95q-dzBKqgjl4iVx-XRICHDrF-ZqPGiR3c7Jl035M0Y7EhUOE7h7IxFkHO8Y0FN_J3sBPvUMdA1TKwVK8aUqIsl8gY82y7-jc0dsqFI-7ZxX8fVlUjUA-UiKOs4JrjiI8UnaBhZvHjvfarX5ipY07Q8HFN5Bm31B_2MGt-gEKa3VZjq2MoawJIxkMGISBBkaeX5wQ8sQx38sW_blJGKq1rSZDxCTQ-Tu1yOrj1Qcmb73eSTNJjJ4oj0aQQ9PoAo_8btT9PISlL6oWYE-sTSFuhSebWbFV1VyoJNc4WeRSCtcZ6MJGah6KuY_olBfx52MRimUP12yOTUVDtAh6kQ3QtXYN8_3Lwkzg0rKHQ-G7xjj5gFI3dA_d1liQFVVA=w2349-h1761-s-no
 
Washed and polished. Took some pics and sent them to RockAuto. Hopefully get on one of their magnets...
 

Attachments

  • IMG_2221.webp
    IMG_2221.webp
    232.8 KB · Views: 144
  • IMG_2222.webp
    IMG_2222.webp
    235.1 KB · Views: 162
  • IMG_2230.webp
    IMG_2230.webp
    112.7 KB · Views: 175
This has been kind of a large project for me. At 175K miles the paint wasn’t great, but spending so much time parked for covid really peeled the clearcoat. After a few months of casual searching for a matching blue hood, I resigned myself to tackling a vinyl wrap job and here is the 85% result. Still need to complete the roof and A-pillars. Bought a 10ftX50” roll of Vvivid+ vinyl. It is really amazing. Even has a protective film cover that you peel from the surface after installation.

Biggest regret (that I’m working through) is that the hood surface just got a rough cleanup with a nylon bristle wheel and the surface isn’t perfectly smooth. The sides look amazing since the paint was fine. But, it’s a learning car, not a show car.

I also rebuilt the vapor barrier on the back door. You absolutely should make sure your vapor barriers are functioning before winter if you want to keep moisture (and mold/mildew) out of your interior. I bought the vapor barrier from Home Depot Racing (trim to fit) and used some butyl from Amazon.
 

Attachments

  • 8363FBE3-D1CB-4E9D-8B45-0A7AC6A04723.webp
    8363FBE3-D1CB-4E9D-8B45-0A7AC6A04723.webp
    85.6 KB · Views: 187
  • DE19849A-310A-433E-80A5-63FB81FB9F9C.webp
    DE19849A-310A-433E-80A5-63FB81FB9F9C.webp
    73.9 KB · Views: 174
  • BED6D6D3-07FE-45AA-8266-EE628256F3EB.webp
    BED6D6D3-07FE-45AA-8266-EE628256F3EB.webp
    214.6 KB · Views: 159
  • 4F6372FC-C7AE-40DD-931F-D51C3D4F17CF.webp
    4F6372FC-C7AE-40DD-931F-D51C3D4F17CF.webp
    149.8 KB · Views: 152
  • B6D7E9AF-8F7C-4DB5-A6BF-7D11986715C8.webp
    B6D7E9AF-8F7C-4DB5-A6BF-7D11986715C8.webp
    148.8 KB · Views: 156
  • 9A03F386-7116-4789-83F3-75D5265E47AA.webp
    9A03F386-7116-4789-83F3-75D5265E47AA.webp
    115 KB · Views: 158
Last edited:
This has been kind of a large project for me. At 175K miles the paint wasn’t great, but spending so much time parked for covid really peeled the clearcoat. After a few months of casual searching for a matching blue hood, I resigned myself to tackling a vinyl wrap job and here is the 85% result. Still need to complete the roof and A-pillars. Bought a 10ftX50” roll of Vvivid+ vinyl. It is really amazing. Even has a protective film cover that you peel from the surface after installation.

Biggest regret (that I’m working through) is that the hood surface just got a rough cleanup with a nylon bristle wheel and the surface isn’t perfectly smooth. The sides look amazing since the paint was fine. But, it’s a learning car, not a show car.

I also rebuilt the vapor barrier on the back door. You absolutely should make sure your vapor barriers are functioning before winter if you want to keep moisture (and mold/mildew) out of your interior. I bought the vapor barrier from Home Depot Racing (trim to fit) and used some butyl from Amazon.
Dang...you're giving me ideas now...
Is your plan to wrap the entire car in that color?
 

New Threads and Articles

Back