Alternator? Randomly turning off/no start (Protege5) B3 engine

Hi,
I've been through a lot with my Protege,

I thought that you owned a Protege5.

What protégé do you have and what year is it.

Mazdas haven't used a distributor for a LONG time.
I think my 83' GLC even had electronic ignition?
 
Hi, so I'm not sure which is the US equivalent car to mine. Apparently the ford laser sold in Australia is almost the same?

Mine is a 2003 hatchback model with a 1.3L SOCH B3 engine fuel injected with the distributor

I replaced the distributor and that didn't work. I think is maybe some kind of short or open circuit, when it doesn't start or after it shuts down the ECU doesn't seem to activate the IAC, EGR solenoid and fuel pump (I guess it doesn't give the signal for spark neither or for the TPS, but those doesn't give any sound so hard to tell without scanner) but voltage does get to them.

I found an unbolted ground, but after cleanning and puting it back it still happens intermittently. Also found some cables in not the best shape but that didn't fixt it.

Still looking for a solution

edit: Also mine doesn't have OBDII, just OBDI so is not easy to get where to scan
 
Last edited:
Ok, I may have "discovered" what is happening.

Seems like a short in the fuse box is the problem. The car stills stalls randomly but I noticed that sometimes when trying to re-start it a buzz comes from the cooler fan relay but noting from the fan, fiddling around I disconnected my IAC with the key on and the relay started to click and the fan to go on and off. Disconnecting and reconnecting the main and/or fan relay a few times get the car to start again most of the time.

Relays are in good shape so not the cause and I had alreday checked the cables under the fuse box without anything weird to my eye, so probably the insides of the fuse box are where the short happens. I'll see if I can confirm my suspicion somehow tomorrow but I think is time to get a "new" one
 
Kind of tired of the problem, so haven't used a lot the car. Has a different fuse box, but didn't solve it. Today tried again to see what's the matter, but I'm left with more questions

Car started nice, nothing weird. I let it run for a good time while I was checking if by moving the wiring it will stall but nothing. Decided to check once again grounds and found the neutral safety switch kind of lose, and ended with both cables detaching from it. Connected the battery and it started normally (the car has always started without problems if it isn't in neutral), joined the to cables to see what, and they just lowered the rpms but no stalling. When I was ready to claim victory with a test ride the car stalled once again. What I'm missing? Didn't have spark or fuel

My guesses are that the neutral switch is still a possibility of the failure, or that the ecu is bad, or that maybe the temp sensor is giving bad readings, or still a short/open somewhere.
 
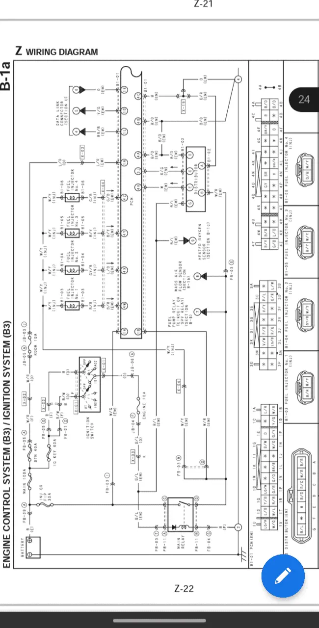
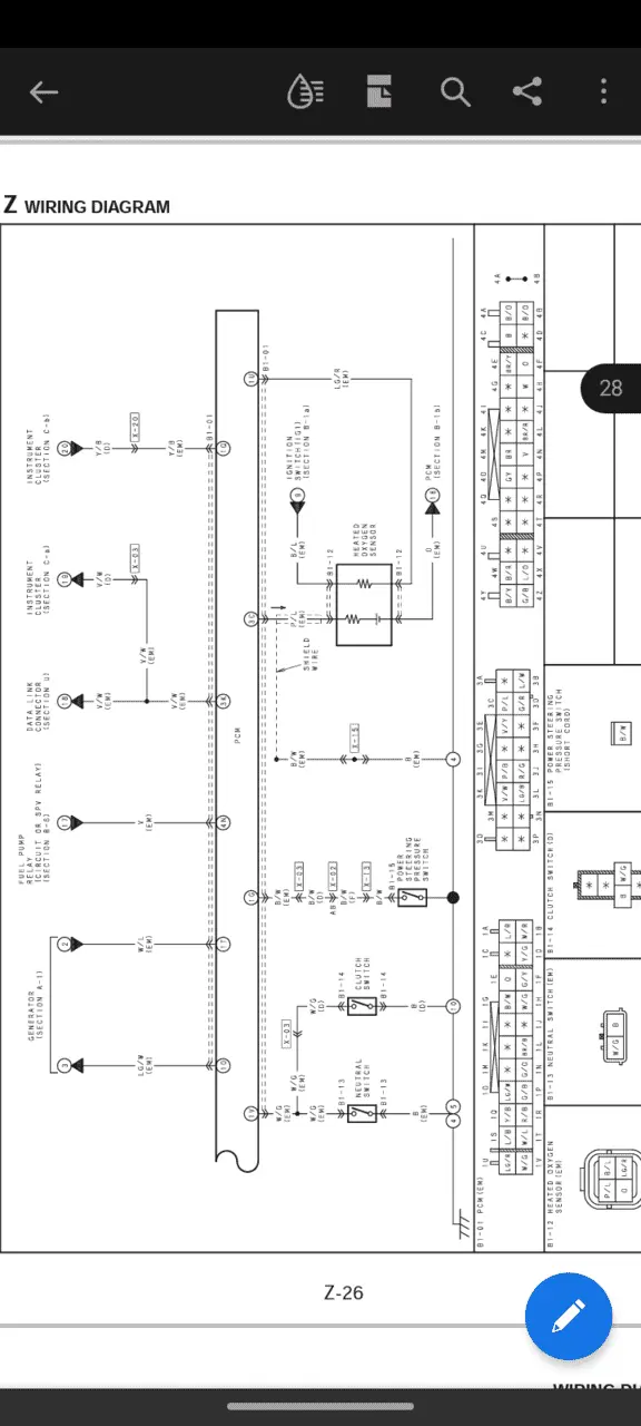
I don't have an OBD2 port wich makes more expensive getting a scanner, but was luckily enough to fing the wiring diagrams for this kind of motor. Any help is appreciated
 

Attachments

  • Screenshot_20240123-233354-867.webp
    Screenshot_20240123-233354-867.webp
    53.8 KB · Views: 144
  • Screenshot_20240123-233645.webp
    Screenshot_20240123-233645.webp
    34.4 KB · Views: 137
  • Screenshot_20240123-233813.webp
    Screenshot_20240123-233813.webp
    44.8 KB · Views: 140
A little update to keep track of things (and in the remote case someone read this)

Still, have random stalling without any obvious symptoms (also I've an oil leak that needs to be taken off, but with the stalling hard to get it solved now).

The car stills stalls randomly but I noticed that sometimes when trying to re-start it a buzz comes from the cooler fan relay
This hasn't occurred again, maybe the change of the fuse box did help somewhat...

EGR solenoid
After reading more about USA Proteges and comparing them to mine, I don't have an EGR per se but I do have a Canister w/ a Canister vent valve solenoid. I think I didn't mention it, but this solenoid was broken. I replaced it a few days ago with the fuel regulator and adjusted the injectors' rail.

Decided to check once again grounds and found the neutral safety switch kind of lose, and ended with both cables detaching from it.
So far this is still disconnected, ordered a replacement that should arrive tomorrow. Inspecting again the old wiring the + cable seemed like it was rubbing somewhere. If this doesn't solve my problem I might end up buying the ECU or some scanner first
 
It was the ECU all this time. The drains from the passanger side were clogged so corrosion started and water started leaking inside. Humidity caused corrosion inside the ECU. Bought one used and it resolved the random shutting down.

However having fiddling with the regulator in the alternator now I have a permanent code for it, and a off brand one does the same. I think they may be putting less voltage than it's necessary cause lights would flicker with RPM but not too worried by this as its running well enough.
 
I don't have an OBD2 port wich makes more expensive getting a scanner, but was luckily enough to fing the wiring diagrams for this kind of motor. Any help is appreciated
Where did you find these wiring diagrams if I may ask?

I have a Haynes service manual but it's quite vague on the 2002 Protégés and caters more to the pre-2000 models.


It's hard to find a paper back true service manual anymore specific to your generation, year , and model. 😕
 
Where did you find these wiring diagrams if I may ask?

I have a Haynes service manual but it's quite vague on the 2002 Protégés and caters more to the pre-2000 models.


It's hard to find a paper back true service manual anymore specific to your generation, year , and model.
It was almost a happenstance, so our cars are basically identical to Ford Lasers and the model with B3 (mine) was also sold in Australia, so here is it: Ford Laser Wiring Diagrams | PDF | Electrical Connector | Color

You will see that those are right hand drive, but it's basically the same thing, things are just reversed in the inside.

The floptical page linked in the forum is also pretty handy
 
Back