Strange Brake Pad Wear

Pitter

2020 CX-5 Signature Azul Metalico
Contributor
51279338354_31fe710e7e_h.jpg


My front brake pads were replaced yesterday and wear seems to be wildly uneven. Three seem to have plenty of pad left while the fourth is worn almost to the metal. Kind of a pain that because of that one all had to be replaced. Any ideas what could cause such uneven wear?
 
51279338354_31fe710e7e_h.jpg


My front brake pads were replaced yesterday and wear seems to be wildly uneven. Three seem to have plenty of pad left while the fourth is worn almost to the metal. Kind of a pain that because of that one all had to be replaced. Any ideas what could cause such uneven wear?
Like Mazdiod2 said, you want to clean and lube caliper pins. If you haven’t done that during the front pad replacement, do it now. Some have checked when the CX-5 was new, and found there’s very minimum amount of grease from factory on caliper pins and they were sticky. And make sure to use rubber friendly (silicone?) grease for these pins.

How many miles on your 2019/2020 CX-5 Signature? With your factory Toyo tires shot in minimum miles due to the road conditions, your short brake pad life is kind of expected. But have you checked the rear brakes lately? Usually the rear brakes are gone way earlier than front brakes on CX-5.
 
Last edited:
Thank you yrwei. The pads were changed the other day at Mazda during the 25,000 K (15,534 miles) service. I am trusting them to do the correct service on the vehicle and hope that's not a mistake. That unusual brake pad wear bothers me and seems like something they should have corrected by methods mentioned above before it happened. They did inspect the rear pads (which have already been replaced once) and said they were good for another 5,000K, the next scheduled maintenance. Yes the tire wear is certainly due to the rough road and short brake life due a daily 8 mile decent down a mountain. As cutting edge as the car seems to be it might not be the ideal choice for life in a third world country.
 
Thank you yrwei. The pads were changed the other day at Mazda during the 25,000 K (15,534 miles) service. I am trusting them to do the correct service on the vehicle and hope that's not a mistake. That unusual brake pad wear bothers me and seems like something they should have corrected by methods mentioned above before it happened. They did inspect the rear pads (which have already been replaced once) and said they were good for another 5,000K, the next scheduled maintenance. Yes the tire wear is certainly due to the rough road and short brake life due a daily 8 mile decent down a mountain. As cutting edge as the car seems to be it might not be the ideal choice for life in a third world country.
Did you notice the uneven wear on front pads or did the Mazda dealer tell you about it? You still can call the dealer about uneven pads wear of your concern and ask them if caliper pins have been lubricated during the pad replacement. If they didn’t do it; you can ask them to do it next time when you visit the dealer for maintenance. The job is easy, and the cost of the job should be low. Or you can DIY if you prefer.

It amazes me that the front pads last only 15,534 miles in your driving conditions. No wonder your factory Toyo A36 tires are shot at 15K miles too.
 
On the topic of lubrication of the pins.

Which lube do you think is good?
Does Mazda sell oem lube?

I looked through the old threads but there are quite a few different opinions on diffferent lubes. There was ford one (which supposedly mazda used back in the days), crc silaramic one and another from autozone I think.
 
On the topic of lubrication of the pins.

Which lube do you think is good?
Does Mazda sell oem lube?

I looked through the old threads but there are quite a few different opinions on diffferent lubes. There was ford one (which supposedly mazda used back in the days), crc silaramic one and another from autozone I think.
Don’t believe Mazda sells any OEM “rubber grease” for caliper pins mentioned in the factory workshop manual. I’ve been using AGS Sil-Glyde Silicone Lubricating Compound for caliper slider pins. It has been recommended by many:

Lube those caliper bolt pins!

Rear brakes gone at 15k..

Grease for brake caliper pin?

And this one said the best:
DO NOT use any black or red "caliper" grease... they are petroleum based and are for the pad shims
use ONLY silicone grease for the slider pins... dielectric (is silicone) grease works great too
 
⋯ Some have checked when the CX-5 was new, and found there’s very minimum amount of grease from factory on caliper pins and they were sticky.
Here are a couple of related posts:

When I painted my front calipers I removed the pins to separate the caliper from the bracket. I was astonished to see very little grease in the holes and on the calipers pins themselves(less than 1000 miles). I've inspected brakes on new cars before (pre 2010) and remember seeing more grease from other manufacturers. Is Mazda being stingy with their lube?? Do they have a bad brake system factory worker?! I'd suggest lubing all metal-to-metal contacts with Sylglide on all these brake systems and making sure the braking system has no unwanted stiction. That being said, newer cars these days DO have more rear brake bias than older cars due to TCS/ABS control systems. But 15,000 is way too premature to be considered normal.


Also, notice in this picture, Mazda made the pads wider than the brake rotor surface, which is becoming a trend with new cars. I believe it's engineered to "clean" rusty lips on the outside edges, which may help with NHV and appearance.

Rotated the tires on my 2016 CX5 and removed the caliper pin bolts on all 4 corners. They had very little to no lube on them. Looks like the factory skimped on the lube.

I removed the bolts and used synthetic brake lube on them. It's pretty simple and took my about 5 minutes per caliper. It's cheap and easy maintenance and will prolong brake life and provide smoother and even braking.

Torqued the front bolts to 25 ft.lbs and the rears to 20 ft.lbs

05359.jpg
 
That wear shows a stuck caliper slide pin (probably underlubed) and is usually covered under warranty.
 
Thank you. I hope they fixed it when they saw the pad wear.
 
Like Mazdiod2 said, you want to clean and lube caliper pins. If you haven’t done that during the front pad replacement, do it now. Some have checked when the CX-5 was new, and found there’s very minimum amount of grease from factory on caliper pins and they were sticky. And make sure to use rubber friendly (silicon?) grease for these pins.

How many miles on your 2019/2020 CX-5 Signature? With your factory Toyo tires shot in minimum miles due to the road conditions, your short brake pad life is kind of expected. But have you checked the rear brakes lately? Usually the rear brakes are gone way earlier than front brakes on CX-5.
My 21 cx-5 GTR brake calipers does not seem to have brake grease/lube when viewing through the wheel. Is ot normal to not see any grease being squished out form the caliper?
 
My 21 cx-5 GTR brake calipers does not seem to have brake grease/lube when viewing through the wheel. Is ot normal to not see any grease being squished out form the caliper?
No, you won’t be able to see any “rubber grease” on caliper (guide) pins. It’s in a sealed environment. However, it isn’t difficult to check while the tire is off.

Here’re a couple of posts showing the caliper pins. But the front brakes on your CX-5 GT-R have dual-piston caliper which will look differently than the pictures in there:

When I painted my front calipers I removed the pins to separate the caliper from the bracket. I was astonished to see very little grease in the holes and on the calipers pins themselves(less than 1000 miles). I've inspected brakes on new cars before (pre 2010) and remember seeing more grease from other manufacturers. Is Mazda being stingy with their lube?? Do they have a bad brake system factory worker?! I'd suggest lubing all metal-to-metal contacts with Sylglide on all these brake systems and making sure the braking system has no unwanted stiction. That being said, newer cars these days DO have more rear brake bias than older cars due to TCS/ABS control systems. But 15,000 is way too premature to be considered normal.


Also, notice in this picture, Mazda made the pads wider than the brake rotor surface, which is becoming a trend with new cars. I believe it's engineered to "clean" rusty lips on the outside edges, which may help with NHV and appearance.

I changed the wheels back to the original 19 inch summers and used the opportunity to clean up the calipers which after 12 months and 12000 miles were looking quite poor.

IMG_3086_zpssiki5acu.jpg


Brake pipe clamped, caliper off and then the carrier, all the parts including pads, shims and carrier clips all cleaned. Following reports on here that the guide pins were not properly lubricated, they were stripped out too. Well mine were well greased and like new pins!

IMG_3092_zpsjqbe81qv.jpg


I had new pads on stand by but mine were 6mm and the new ones 9.5mm. They were made by Ferodo in my home town and have made their way to Hiroshima for building on to my CX-5! I checked all the edges for lift, cleaned out the groove and assembled the shims with clean ceratec grease.

IMG_3099_zpsflufrebo.jpg


A word of caution. When you push the pistons back in, if the boot inflates like this, make sure you get the air out or it will get trapped by the pad and end up split. Certain doom will follow.

IMG_3090_zpsvtxwicjd.jpg


I used a small pick to carefully let the air out.

IMG_3091_zpsp2evay7o.jpg


After much cleaning and wire brushing, the parts were dried in the obvious place,

IMG_3098_zpsdpdskmup.jpg


Build it all up, pop the pads in at the back and twist them in,

IMG_3100_zpswn9zldpe.jpg


Put the caliper back, guide pins and bleed the brake. When done it looks like this.

IMG_3102_zpstxmytqu0.jpg


Eventually with the wheel fitted, it looks a treat,

IMG_3103_zpsk5veudkn.jpg
 
Last edited:
No, you won’t be able to see any “rubber grease” on caliper (guide) pins. It’s in a sealed environment. However, it isn’t difficult to check while the tire is off.

Here’re a couple of posts showing the caliper pins. But the front brakes on your CX-5 GT-R have dual-piston caliper which will look differently than the pictures in there:

Thanks for reply but I am refering to the two contact points
1625756637929.webp
 
You don't want to see any "grease squished out" when viewing brakes. The 2 contact points don't get greased (as there is no sliding motion occurring there) unless something is specified to be applied there to minimize brake squealing. It varies.
I do however apply a thin coating of grease where the caliper slides on the caliper bracket. Sometimes a layer of caked on dirt needs to be scraped off first. I use the end of a file and then file down smooth any high spots that could cause a hang-up. Sometimes the new pads have burrs that need filing off so they slide better into the stainless steel pad guides. It's nice to have brake parts that are clean, slide freely and are lubed at the right spots. Prevents hang-ups and abnormal wear.
 
Thanks for reply but I am refering to the two contact points
View attachment 300966
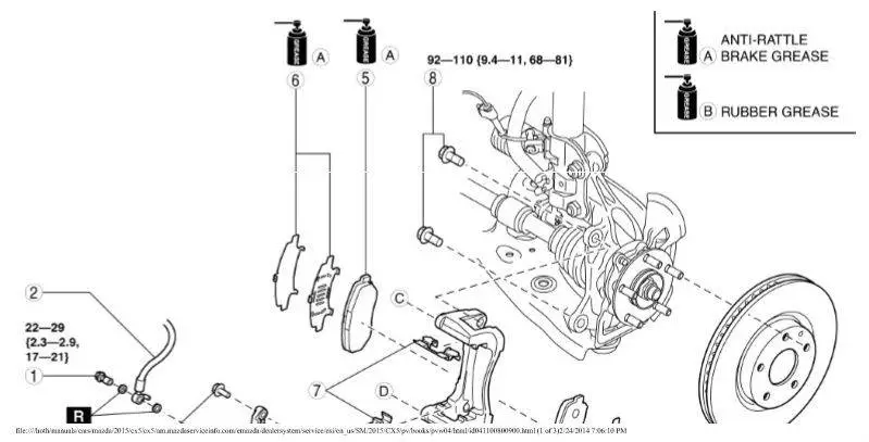
According to Factory Workshop Manual, Mazda doesn’t use any brown “anti-rattle brake grease” (Molykote 7439) on the back side of brake pads with dual-piston caliper front disk brakes on all CX-5’s with 2.5T. Only those CX-5’s (gen-1 and gen-2) with 2.5L NA use such grease on their standard front disk brakes.

Strangely, although they’re the same brakes other than EPB starting from gen-1 2016 MY, the rear disk brakes on gen-1 CX-5’s do use “anti-rattle brake grease” on pads, but not on gen-2 CX-5. :unsure:

So you won’t see any brown anti-rattle brake grease at the areas you pointed out on your 2021 CX-5 GT-R.


Gen-2 CX-5 Front Brake with Single-Piston Caliper (2.5L):
01DF0EC2-80DA-411A-B84E-676232A63EBC.jpeg


Gen-2 CX-5 Front Brake with Dual-Piston Caliper (2.5T):
D5FC3048-327F-4E95-B5DC-8F1E175777B2.jpeg


Gen-2 CX-5 Rear Brake with EPB:
48EE2F4C-211D-4522-B79C-CC2D9BBD183A.jpeg



Gen-1 CX-5 Front Brake:
0362040C-0D63-4319-A191-4FF34AE89044.jpeg

4A3EF564-0FEC-4348-B744-FA651EC8F1CC.jpeg


Gen-1 CX-5 Rear Brake (without EPB):
0AE8FF59-55A2-43A7-86E1-28B649417BCF.jpeg

5DDE120E-3952-46B6-8C55-583F83E55A94.jpeg
 
Last edited:
According to Factory Workshop Manual, Mazda doesn’t use any brown “anti-rattle brake grease” (Molykote 7439) on the back side of brake pads with dual-piston caliper front disk brakes on all CX-5’s with 2.5T. Only those CX-5’s (gen-1 and gen-2) with 2.5L NA use such grease on their standard front disk brakes.

Strangely, although they’re the same brakes other than EPB starting from gen-1 2016 MY, the rear disk brakes on gen-1 CX-5’s do use “anti-rattle brake grease” on pads, but not on gen-2 CX-5. :unsure:

So you won’t see any brown anti-rattle brake grease at the areas you pointed out on your 2021 CX-5 GT-R.


Gen-2 CX-5 Front Brake with Single-Piston Caliper (2.5L):
View attachment 300971

Gen-2 CX-5 Front Brake with Dual-Piston Caliper (2.5T):
View attachment 300972

Gen-2 CX-5 Rear Brake with EPB:
View attachment 300973


Gen-1 CX-5 Front Brake:
View attachment 300980
View attachment 300981

Gen-1 CX-5 Rear Brake (without EPB):
View attachment 300982
View attachment 300983
Wow those are some nice images, where did you get them? Is it from a Mazda repair manual? Please share, thanks.
 
Back