2014 CX5 Tune-Up items to replace?

:
2014 CX-5 Touring
I pulled off the engine cover of our 2014 CX5 a couple weeks ago while I was draining the ATF, and noticed some pretty significant leaking around the valve cover (or maybe the oil control valve, or maybe both). With 113,000 miles I'm thinking it's time I did some tune-up maintenance on the car, since I've done basically nothing in the engine bay since we purchased the car at 52K miles. This is what I've got in mind:

  • Replace valve cover gasket and oil control valve gasket.
  • Replace serpentine belt and the hydraulic tensioner
  • Replace spark plugs (suggestions, NGK Iridium or something else?)
  • Drain and refill coolant (Mazda FL22 preferred, or maybe the Ravenol FL22 concentrate I saw mentioned on BITOG?) https://www.amazon.com (commissions earned)
I've considered pulling off the intake manifold to check the intake valves for carbon buildup, but haven't decided yet if I want to tackle that. Engine seems to be running just fine at this point.

What about the coils? This is my first COP engine, so I'm not that familiar with having a coil on every plug. Are those usually a "replace when failed" type of thing, or just replace them all at a certain time to prevent a failure?

*edit* adding an index to posts covering parts replaced and work done:

Belt tensioner and spark plug replacement
Final ATF drain/fill with filter replacement
Leaking oil control valve (OCV)
Transmission filter replacement and drain pan sealant
Trans pan photos after 1,000 miles
OCV replacement
 
Last edited:
I pulled off the engine cover of our 2014 CX5 a couple weeks ago while I was draining the ATF, and noticed some pretty significant leaking around the valve cover (or maybe the oil control valve, or maybe both). With 113,000 miles I'm thinking it's time I did some tune-up maintenance on the car, since I've done basically nothing in the engine bay since we purchased the car at 52K miles. This is what I've got in mind:

  • Replace valve cover gasket and oil control valve gasket.
  • Replace serpentine belt and the hydraulic tensioner
  • Replace spark plugs (suggestions, NGK Iridium or something else?)
  • Drain and refill coolant (Mazda FL22 preferred, or maybe the Ravenol FL22 concentrate I saw mentioned on BITOG?) https://www.amazon.com (commissions earned)
I've considered pulling off the intake manifold to check the intake valves for carbon buildup, but haven't decided yet if I want to tackle that. Engine seems to be running just fine at this point.

What about the coils? This is my first COP engine, so I'm not that familiar with having a coil on every plug. Are those usually a "replace when failed" type of thing, or just replace them all at a certain time to prevent a failure?
Suggest to replace both valve cover gasket and oil control valve gasket.

Mazda 2.0 & 2.5 Ltr Valve Cover & Oil Control Valve Gasket replacement

In addition to replace serpentine belt and the hydraulic tensioner, replace water pump stretch belt at the same time with 113,000 miles.

Belt Tensioner - Shouldn't this be a warranty item?

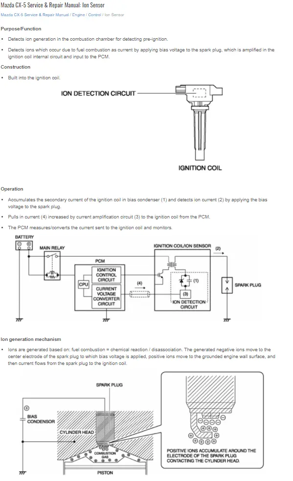
For spark plugs, I personally would prefer getting very expensive PE5R-18-110 OEM spark plugs. The spark plugs used on SkyActive-G have to be ion-sending compatible and the resistance of the plugs needs to be 3.0 ~ 7.5 KΩ.
As for whether or not you should use OEM spark plugs or aftermarket NGK Laser Iridium spark plug ILKAR7L11 / 94124、or Denso ZC20HPR11 plugs, it’s your call.

Spark Plug Removal

Spark plug change interval confusion

Pulstar Spark Plugs?

Anyone install Ruthenium Spark Plugs yet?

For engine coolant replacement, I’d pay a little extra to get Mazda OEM FL22 coolant to avoid any potential compatibility problems. Just like ATF drain-and-fill, you’ll have plenty of old coolant left in the cooling system due to lack of a coolant drain plug on the engine block.

I’d not touch the intake manifold unless there’re obvious symptoms. I’d use a can or two of CRC GDI Intake Valve Cleaner spraying into the PCV / vacuum and intake before the oil change.

Don’t worry about the ignition coils until you have a related CEL.
 
The NKG Iridiums are absolutely fine. There is zero documentation that the OEM plugs do anything different than the NKGs - it's all a matter of opinion and hearsay, but no fact-based evidence. Save your money for other items where OEM does make a difference.
 
What about the water pump itself? On my other cars it's always a "while you're in there" sort of thing since they're timing belt driven, so they get changed with the timing belt. On this car that's not the case, so is it better to just leave it until it breaks?
 
The NKG Iridiums are absolutely fine. There is zero documentation that the OEM plugs do anything different than the NKGs - it's all a matter of opinion and hearsay, but no fact-based evidence. Save your money for other items where OEM does make a difference.

Sounds like most of the sensing function is built into the ignition coil. Presumably the key parameter that matters for the spark plug is the resistance. So if that is in spec for a replacement plug, maybe the function will be fine.

1610994898882.png
 
What about the water pump itself? On my other cars it's always a "while you're in there" sort of thing since they're timing belt driven, so they get changed with the timing belt. On this car that's not the case, so is it better to just leave it until it breaks?
I would change it when it leaks since it's accessible without removing covers. I believe there are "high milers" on this board that got significant mileage out of the original water pump.
 
I don't mind paying $95 for OE spark plugs if it's a once in 100K miles or more type of thing. Thanks, I'll probably go with those. *edit* although I'll likely go with the NGK plug with the same part number for half the price.
I’d take the words from OVT (OrangeVirus Tuning) and don’t mind to pay $35 extra ($95.64 at Amazon for a set of 4) for OEM PE5R-18-110 plugs with 75,000 maintenance interval. Of course there’s nothing wrong if you choose NGK ILKAR7L11 / 94124 plugs which cost ~$60 for a set of 4.

There have been several people who had replaced plugs that did not have the proper ion feedback and it created a lot of trouble codes so you can watch out for that. I remember a 2013 that replaced a lot of parts before he purchased oem plugs and the codes went away. I suggest you search for engine codes on this site and read other experiences...
Until I know that non oem plug meets the workshop manual resistance of 3.0*7.5 kilohms) I wouldn't use a non OEM plug. The ecu uses the spark plug as primary knock sensor. If the resistance is out of spec then you could end up losing power and or mpg. I've been meaning to buy a cheap plug from Vatozone and test the resistance.
What Chris_Top_Her has said does have his base. OVT (OrangeVirus Tuning) had posted following comments several years ago here.
Without getting into too much detail...you guys really...really..really want to use OEM plugs....
the reason is because the ECU uses the ignition coils, which measure a resistance across the OEM plug for pre-ignition, and extremely low levels of knock retard the knock sensor cannot pick up, along with that it gives the ECU individual cylinder information, the spark plugs are actually used "as a sensor."

How it works exactly is proprietary information that I am not willing to share, you want to use OEM plugs.
 
Thanks all. Just ordered:

Priority Mazda:
OEM VC gasket and OC valve gasket

Rockauto:
Gates serpentine and water pump belts, and INA tensioner

Directly from NGK to avoid counterfeits:
4 ILKAR7L11 / 94124 plugs at about $12.50 each.

All in total of only $170 shipped for everything, which isn't bad at all.
 
Thanks all. Just ordered:

Priority Mazda:
OEM VC gasket and OC valve gasket

Rockauto:
Gates serpentine and water pump belts, and INA tensioner

Directly from NGK to avoid counterfeits:
4 ILKAR7L11 / 94124 plugs at about $12.50 each.

All in total of only $170 shipped for everything, which isn't bad at all.
You forgot to order FL22 coolant?

Yes there’re too many counterfeits on NGK spark plugs. Did you order the NGK plugs from NGK.com? And the price is lower than Amazon?
 
Yes and yes.

Didn't forget the coolant. I plan to do that after the upcoming road trip next month. The coolant is only slightly below the L mark, and we're not at 120K yet, so I'll just top up with some distilled water. I have a nifty optical device that shows coolant/water mixture, and last I checked, the coolant was still in good shape.

I will also have performed the 3rd and final ATF drain and fill before then as well. I'll probably change all these other parts while I'm doing that work.
 
Yes and yes.

Didn't forget the coolant. I plan to do that after the upcoming road trip next month. The coolant is only slightly below the L mark, and we're not at 120K yet, so I'll just top up with some distilled water. I have a nifty optical device that shows coolant/water mixture, and last I checked, the coolant was still in good shape.

I will also have performed the 3rd and final ATF drain and fill before then as well. I'll probably change all these other parts while I'm doing that work.
Were you be able to get free NGK magnetic LED work light? :)

05E33FC2-AA3B-4F20-B237-5A02136FF844.webp
 
shoot I didn't see that. My cart ended up being less than $50 anyway, before shipping. I have plenty of LED work lights anyway. :)
 
I'd pay the extra for OEM plugs that are more likely to have consistent resistance vs OEM aftermarket which have been proven to have wildly varying resistance, among the same exact plug.. since it functions as the primary knock I don't want unnecessary power reduction
 
But if NGK makes the plugs for Mazda, how can they be any different? I literally bought the exact same part number that is on the Mazda box, just without the Mazda logo printed on it.
 
But if NGK makes the plugs for Mazda, how can they be any different? I literally bought the exact same part number that is on the Mazda box, just without the Mazda logo printed on it.
Yes or no, it’s your call. I still believe there’s no free lunch, and there must be something different other than a Mazda imprint with that much difference on price. But this’s something only Mazda and NGK know, and some tuners may also know. That’s why I believe what the OVT said in our forum before.

On belt tensioner you chose the INA, who is the OE manufacture for Mazda’s OEM belt tensioner. The price is much cheapef on INA tensioner than OEM’s too, and they look the same just by looking.

These are all personal preferences. I personally would choose aftermarket parts which are made by the same manufactures, such as NGK and INA here, when the OEM parts are not available, or the price difference is outrageously high, as I usually keep my vehicle forever.
 
Exactly. I bought a new cam position sensor for my NB Miata since those so commonly go bad while driving, just to keep one in the trunk as a spare. Got it on RockAuto with the same Mitsubishi DSM logo on it as the OE Mazda version, for way less.

But selling a plug for a particular application, with slightly different specs or inner parts than OEM is one thing. But when the part has the exact same part number as the OEM part, I don't see how it could be any different. I guess I'll measure the resistance of the plugs when I get them, just out of curiosity. Hopefully I can find the values of new OEM Mazda plugs on here somewhere.
 
⋯ I guess I'll measure the resistance of the plugs when I get them, just out of curiosity. Hopefully I can find the values of new OEM Mazda plugs on here somewhere.
Yes do that and let us know. You can measure the resistance on your old spark plugs and tell us the results too.
 
So the spec sheet for NGK ILKAR7L11 calls for a resistance value 5k ohms. The OEM CX5 service manual for the OE spark plugs calls for a resistance value of between 3k and 7.5k ohms. So that means the NGK plugs should be right in the middle of the factory resistance range.

I'm definitely interested to see the values of the old (likely original) plugs with 113K miles.
 
Back