Canadian DRLs

Thanks AwaKeN, which day is best for you? Sunday afternoon is best for me, this will give me time to also do the installation procedure. I do not have a garage and looks like rain this weekend. Do you have some place dry to work?

I will get started on the harness using the new wiring method.
 
Sunday we celebrate my sun's birthday. I will be able to do that on monday (action de grace) or the next weekend and i have a garage, if you want to come you are more than welcome :P
 
First in car test

I was finally able to meet up with AwaKeN on Saturday to actually test the harness. The installation was easy, the only hard part was getting access to the fog lights.

The bad news is that we could not get the fog lights to come on when in DRL mode. The lo-beam was on all the time but the fog lights would come on when using the switch on the signaling stock. The only test equipment I brought with me was a multimeter which was not enough to diagnose the problem. The only thing I was able to do was to measure the working DRL voltage. So, we took the harness off.

I had a couple of days to think about it and bench tested the harness again tonight and I think I found the problem. My assumption on the working voltage of the DRL was a little too low I had it set for around 7-8 volts but the actual DRL voltage is around 10.5V. So while testing the harness on the car it would think that the lo-beam was on even when it is in DRL mode. This can be easily remedy by changing a resistor and capacitor value.

A big thanks to AwaKeN and it was also very nice to meet someone from this forum.
 
Can't wait to see if this works. Right now I drive around with my DRL low beams and fogs on all the time. I would like to have just the fogs as my DRL.
 
Sorry for not updating this thread, I injured my knee rock climbing a few weeks ago and ended up straining my other knee compensating for the bad one. I have started to work on it again a couple of days ago and just finished testing it today after work.

I have changed the value of a capacitor and resistor to make sure the DRL signal will not falsely trigger the circuit. Also, I have added a switch to allow the setup to revert back to the stock configuration (DRL --> Lo-beam on) in case one of the fog lights are burned out or in the unlikely event of getting stop by the police for having fog lights on during the day.

I was hoping this project would be done by now. I will not be able to install it into the car until my knee gets better(cannot bent one knee more than 30 degrees). From our last experiment the installation is pretty straight forward and can be done in around an hour.

That is all for now.
 
Sorry for not updating this thread, I injured my knee rock climbing a few weeks ago and ended up straining my other knee compensating for the bad one. I have started to work on it again a couple of days ago and just finished testing it today after work.

(confused)

Good God man, don't hurt yourself anymore ... (sick) take it easy, it's just headlights. :)

we don't want to see stuff like this:

2008110411510000-thumb.jpg


Take care of yourslef and get it done some day, the hollidays are really going to suck if you mess yourslef up even more.

Peace!(rei)
 
WOW, first time encountering other people who want to do a PROPER fogs as DRL mod. Kudos to you fellas.

I had this problem in the summer of 08 and here is my solution:
http://www.mazdas247.com/forum/showthread.php?p=3773175

My post was promptly ignored by everyone. I guess because the mostly American population on this forum don't have to deal with the Canadian DRL system.

Anyway, my approach was a little less elegant than what y'all are trying to do since it involved cutting and splicing into the lighting system wiring.

It's been a while so let's see if I can explain my solution.
The basics are:
1. trick the DRL module into thinking the parking brake is always up thus disabling the daytime running lights.
2. splice the fog light relay line into the ignition wire so that the fog lights have power anytime the key is in the "ON" position.
3. add a SPDT relay to kill power to the fogs when the parking brake is up.
4. add another SPDT relay to kill power to the fogs when the main headlights turn on. But set up the circuit in such a way that the fogs can still be turned on/off with the stock fog light switch.

Optional: I also put in two DPDT switches to switch between my custom circuit and the original connections. That way I can sort of return my car to stock if necessary to pass safety check or whatever. Just in case.

I hope my diagrams are much clearer than my explanation above. The end result was that my fog lights work exactly like DRLs. The only down side is that the parking brake light on the dash no longer light up when the parking brake is up. But really, who needs a light to tell them the parking brake is up?

I've run this setup for over a year now without any issues.

SPDT relays can be bought from any performance shop. I paid $10 for those two relays. The DPDT switches I bought from the Source for a few bucks each. So cost is not an issue. The most difficult part was identifying the correct wires to cut/splice but all the information is in the Protege shop manual. Also there was very little room to work in and you have to lay in a awkward and uncomfortable position to get at the wiring.

Davebert, good luck with building a module. That's a much cooler solution than my hack job. But I hope my working solution can help somebody out.
 
(confused)

Good God man, don't hurt yourself anymore ... (sick) take it easy, it's just headlights. :)

Take care of yourslef and get it done some day, the hollidays are really going to suck if you mess yourslef up even more.

Peace!(rei)

I afraid I am my own worst enemy. I should have stop going to the climbing gym when my left knee started to hurt, instead I climbed another 5 or 6 nights before I had to stop. Now it is 3 weeks later, my left knee is fine but my right knee is letting me know that I should not have climb with just one good leg.

I have already started with up documentations and will post a wiring diagram today.
 
Hi yangsui, that is some pretty heavy duty mod. I have not though about doing it that way mainly because I did not want to do any cutting of the original harness. But you mod is certainly impressive, and doubly good because it is working for you.

Hopefully once this is done, it will work seamlessly and have the capability of going back to stock configuration at a flick of a switch.
 
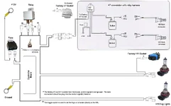
Here is the wiring diagram for the harness for a set up that already have the H7 HID conversion with a relay harness. For someone who has not done the HID conversion the only difference is the HID relay harness does not go to the ballasts but goes directly to the stock H7 halogen lo-beam bulbs.

I have started the installation guide but need pictures of an actual installation to complete the guide.
 

Attachments

  • DRL_FogWiring.webp
    DRL_FogWiring.webp
    146.7 KB · Views: 346
Back