My AWD MAZDASPEED3 Conversion Blog

I would, personally, love to have an AWD Speed 3..But my extreme lack of knowledge and even more extreme lack of funds would put a major damper on that
 
When it is all completed i plan to make a detailed thread about it, but for now with all the things that i have going on this is just easier on me, as some of the forums i belong to have pictures limits and such. But have no fear when its all wrapped up there will be many pictures and video for sure.


Jarod

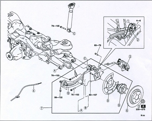
Awesome...I'm already looking forward to your detailed build thread about this project...Good news...I was at my local Mazda Dealer and I was able to score some AWD Axela diagrams of the various systems that might be helpful to you...I'll scan them soon and post them here...Stay tuned! :D
 
Hope these are helpful...:D

4912480104_6c5536063b_z.jpg


4912480274_ce0169390a_z.jpg


4911875169_beb6b0f76c_z.jpg


4912480518_792f805363_o.png


4912480582_65443fe38a_o.png


4912480762_25d67a13d4_z.jpg


4912481038_6b7be1483c_z.jpg


4912481282_1a73136a13_z.jpg


4912481522_e5b4e2ce12_z.jpg
 
Nothing to write home about, finishes the fuel system totally put the heat shields back on the car. Still waiting orthe manifold, which according to te tracking will be here Monday. So then I will have more updates.
 
Sweet Project!

I stumbled upon this forum when I was looking at the DG MS3. Currently, I'm doing a MS3 trans swap into my MZ3 and cutom fabbed a divided manifold for the GT40R turbo that I bought. Wish I would have saw this thread! What parts did you have to source to complete this project? I'm considering selling my MS3 trans parts and convert my MZ3 to AWD! Let me know how it goes!
 
Hey man, I met you down at PBIR Back in September for Flyrtle weekend and you told me about this project, the name is Mike if you don't remember, glad to see progress is still being made!
 
I'm not sure how I missed this thread before...the shear magnitude of what's going on in it should've had it's own gravitational pull...in relation to which threads I read. What? Yeah this project is awesome (and wholly intimidating). You, sir, are the man.
 
Well, Thank you for the compliments. I am almost done, i would post more updated pictures, but i lost my camera when i dropped the car of the have the finishing touches completed, that i dont have the equipment to complete.
 

New Threads and Articles

Back