B

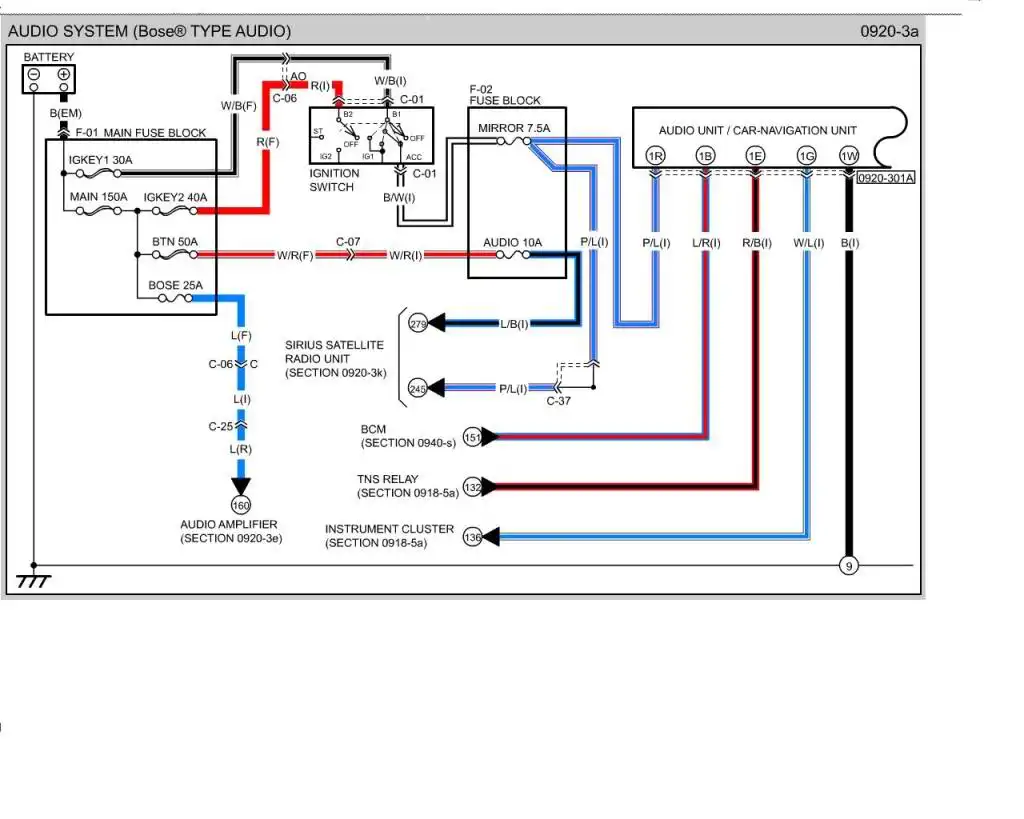
2011 head circuit.jpg

  • Media owner broc
  • Date added
Originally posted in: Thread 'Upgrading 2012 Headunit'
There are no comments to display.

Media information

Media category
CX-9
Added by
broc
Date added
View count
378
Comment count
0
Rating
0.00 star(s) 0 ratings

Share this media

Back